Использованное оборудование

Ответить
RomA
Сообщения: 358
Зарегистрирован: 05 авг 2008, 14:53
Контактная информация:

Использованное оборудование

Сообщение RomA »

На наших предприятиях мы используем 110-е кроссы - что же это такое?
Покупаем мы сетевое оборудование фирмы Hyperline http://hyperline.ru/ в первую очередь это 110-кроссы? которые выглядят следующим образом:
В первую очередь это своего рода матрица
чертеж матрицы
чертеж матрицы
1.jpg (28.47 КБ) 23770 просмотров
на которую разбиваются провода. На сегодняшний день это модель 1U 100-парная кросс-панель 110C-19-100P-1U
матрица
матрица
2.jpg (43.04 КБ) 23770 просмотров
сверху которых ставятся специальные модули
чертеж модуля
чертеж модуля
4.jpg (29.61 КБ) 23770 просмотров
которые и накрывают эта провода. Модель Модуль 4-х парный 110C-M-4P
модуль
модуль
5.jpg (17.88 КБ) 23770 просмотров
сзади провода крепятся стяжками прям к самой панели, а вот конекторы спереди включаются и мещяются, потому их мы убираем в пластиковые организаторы
чертеж органайзер
чертеж органайзер
6.jpg (33.98 КБ) 23770 просмотров
дабы все это выглядело красиво и не мешалось. Модель называется Кабельный организатор с пластиковыми кольцами и крышкой, 19", 1U (размеры кольца: 60 x 44,5 мм) CM-1U-PL-COV
органайзер
органайзер
7.jpg (52.6 КБ) 23770 просмотров
Кста такие же кабельные организаторы мы ставим и возле считчей, а вот силовые кабеля мы убираем в металлические организаторы
сертеж металлического организатора
сертеж металлического организатора
8.jpg (19.38 КБ) 23770 просмотров
модель которого на сегодняшний день Кабельный организатор с металлическими кольцами, 19", 1U (размеры кольца: 55 x 44,5 мм)
CM-1U-ML
металлический организатор
металлический организатор
9.jpg (18.65 КБ) 23770 просмотров
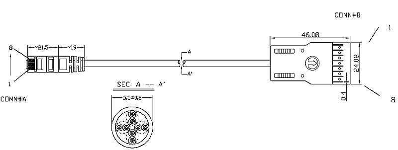
У 110 кросса свои патчкорды. самый обычный это 4х парный патчкорд
чертеж 4х
чертеж 4х
1.jpg (23.88 КБ) 23759 просмотров
его модель PC-110-RJ45-4P-C5e-1M-GY
4х
2.jpg (38.16 КБ) 23759 просмотров
но патчкорды этой фирмы труднонаходимы и имеют скудный ассортемент, потому патчкорды мы покупаем фирмы http://www.nikomax.ru тут модели отличаются длиной провода - выбирайте ту длину, которая вам нужна. Например NMC-PC4UD05B-005-GY - длиной 0.5м Все разнообразие этих патчкордов можно посмотреть в соответствующей теме, где я описываю какой патчкорд для чего нужен.

Следующие у нас на очереди сетевые розетки. Розетки фирмы hyperline называются Розетка RJ-45 двойная белая, категория 5e SB-2-8P8C-C5e-WH
5.jpg
5.jpg (12.77 КБ) 23755 просмотров
выглядят они так
6.jpg
6.jpg (85.55 КБ) 23755 просмотров
Ответить